< Circuit Theory
Goal
Split multisource circuit into smaller, simpler circuits, compute current or voltage and add.
Procedure
Pick one source, turn off all or set to zero all others:
- Set Voltage Sources to V=0, doesn't care about current so is a short
- Set Current Sources to I=0, doesn't care about the voltage so turns into an open
Example 1
Find the current through the 3 ohm resistor assuming moving left to right is positive:
The original circuit is equal to
this circuit where i = 24/5 plus
this circuit where i = -14/5 (current divider) plus
this circuit where i = -3/5.
The total current in the direction shown on the original diagram is going to be:
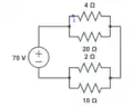
Example 2
Find the current through the 4 ohm resistor assuming moving left to right is positive:
The original circuit is equal to
this circuit which can be re-drawn as
this circuit where i = 35/3 = 11.67 plus
this circuit which can be re-drawn as
this circuit where i = -11/36 = -.3056 plus
this circuit which can be re-drawn as
this circuit where i = 25/18 = 1.3889 (current divider)
Simulation at circuit lab confirms the answer:

This article is issued from Wikibooks. The text is licensed under Creative Commons - Attribution - Sharealike. Additional terms may apply for the media files.